| 产品标题:9032060,topair双联阀,台湾topair,topair气缸,topair油压缸 产品ID:VIB20150709232431734 品 牌:TOPAIR 所在地:中国 上海 价 格:面议 (大量采购价格面议) 库存状态:货期待查 更新日期:2025-5-28 19:15:52 咨询电话:(+86)021-51699285 咨询Q Q: 2695337323 |
内径直径 7
本电磁阀为常闭型
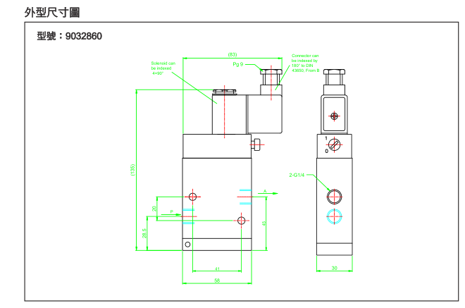
配管口径 G1/4, G3/8, G1/2
操作压力:最大 10 bar
只能排气
特 性
˙ 体积小
˙ 絈线圈可依电压自由选配
˙ 具有手动开关
˙ 具有钳入式手动开关 ( 选配 )
说 明 ( 标准型 )
˙ 本电磁阀可用于经过滤及给油或不给油之空气下动作
˙ 操作温度范围:-10 ℃ ~ +60 ℃
˙ 本体材质:铝合金
˙ 止漏橡胶材质:PU
可依客户要求设计
˙ 其他本体密封材质
˙ 更大的压力范围



